全部版块 我的主页
论坛 提问 悬赏 求职 新闻 读书 功能一区 经管文库(原现金交易版)
228 0
2024-09-04
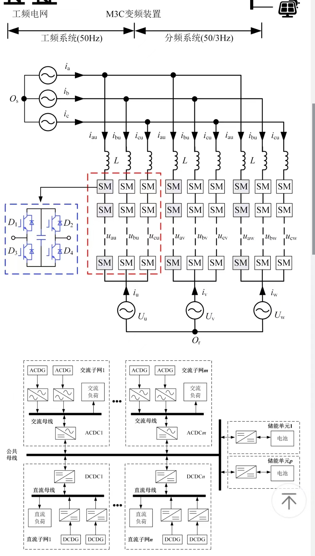
毕业论文的实证电路图分享,都是可操作的模板图 大家根据自己的需求进行改动即可 d8a6a8e8fc24ede11d517b23084b9ff.jpg

具体数据如图所示具体数据如图所示具体数据如图所示具体数据如图所示

附件列表
f91a96fbc52539e5d19da1fc2fe9f12.jpg

原图尺寸 484.45 KB

f91a96fbc52539e5d19da1fc2fe9f12.jpg

043373be88cb63052673984921dca47.jpg

原图尺寸 496.05 KB

043373be88cb63052673984921dca47.jpg

毕业论文的实证电路图分享(1)

大小:77 Bytes

只需: RMB 20 元  马上下载

下载这个

二维码

扫码加我 拉你入群

请注明:姓名-公司-职位

以便审核进群资格,未注明则拒绝

栏目导航
热门文章
推荐文章

说点什么

分享

扫码加好友,拉您进群
各岗位、行业、专业交流群