煤炭产业链低碳经济发展模式研究——以煤-焦-电-建材产业链为例[url=]免费订阅[/url]
[url=]

[/url]
[url=]内蒙古煤炭经济[/url] , [url=]Inner Mongolia Coal Economy[/url],
编辑部邮箱,
[url=]2013年07期[/url]
[给本刊投稿]
[目录页浏览]
【作者】
吴玉萍;
刘娅楠;
吕小师;
【机构】
河南理工大学经济管理学院;
河南理工大学土木工程学院;
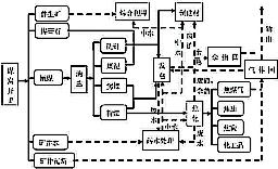
【摘要】 加强节能减排、发展低碳经济和建设环境友好型社会已成为人们的共识,而煤炭工业作为高碳能源产业的典型代表,如何达到这一目标是当前需要解决的重点问题之一。论文以煤-焦-电-建材产业链为例,通过构建煤炭产业链低碳评价指标体系,对该产业链低碳发展现状进行分析,从ZF、产业、企业和公众层面提出了四位一体的煤-焦-电-建材产业链发展低碳经济模式的对策,为我国煤炭产业链的优化升级和煤炭企业的低碳发展提供参考。 [url=]更多[/url][url=]还原[/url]
【关键词】
煤炭产业链;
低碳经济;
煤-焦-电-建材产业链;
【文内图片】
[url=]
煤-焦-电-建材产业链示意图[/url]
【基金】 教育部人文社会科学研究青年基金项目“我国发展低碳经济的路径选择与政策设计”(编号10YJC790002);河南省教育厅自然科学研究项目“煤炭产业链下的低碳经济评价体系和优化路径研究”(编号2011A630020)
- 【分类号】F426.21;F205
- 【下载频次】94
知网节下载
节点文献中: