全部版块 我的主页
论坛 休闲区 十二区 休闲灌水
866 1
2019-04-03
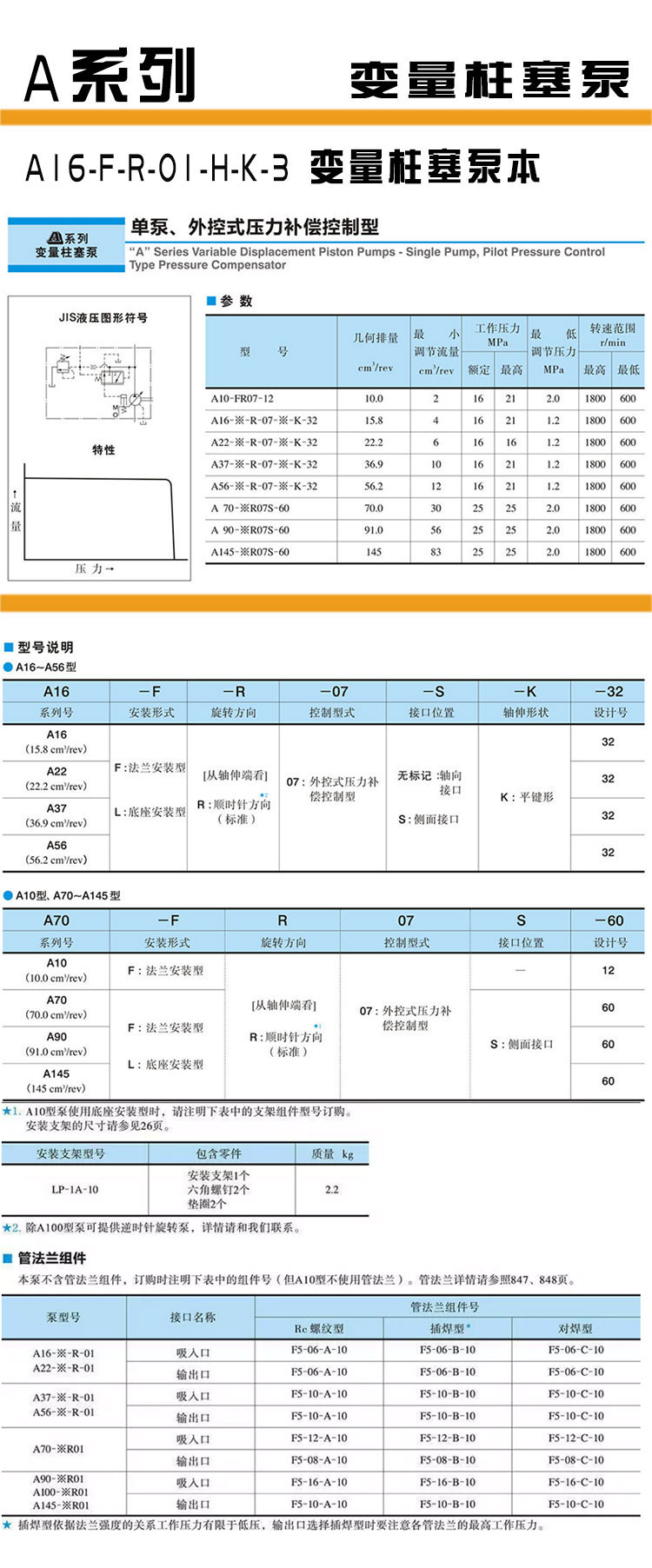
  A系列变量柱塞泵特点:

364X364.jpg

  1.多种控制形式
  有从压力补偿控制型到与放大器传感器等组合的电-液比例压力和流量控制型,具有特色的10多种控制方式
  2.排量范围广
  有10-219cm3/rev广泛的范围
  3.低噪音

10+.jpg



二维码

扫码加我 拉你入群

请注明:姓名-公司-职位

以便审核进群资格,未注明则拒绝

全部回复
2019-4-3 16:27:12
深圳理财师-覃瀚 发表于 2019-4-3 16:00
  A系列变量柱塞泵特点:
  1.多种控制形式
  有从压力补偿控制型到与放大器传感器等组合的电-液比 ...
thank you for sharing.
二维码

扫码加我 拉你入群

请注明:姓名-公司-职位

以便审核进群资格,未注明则拒绝

相关推荐
栏目导航
热门文章
推荐文章

说点什么

分享

扫码加好友,拉您进群
各岗位、行业、专业交流群