在物联网与智能化的浪潮中,一种看不见的“眼睛”正悄然改变我们的生活:走廊的灯光在你经过时自动点亮,卫生间的龙头在你伸手时无声出水,安防系统能在漆黑的夜晚感知不速之客的入侵。这一切的背后,都离不开红外线人体感应技术的支撑。从早期基于BISS0001等专用芯片的简单开关,到今天融合了先进材料与人工智能算法的智能感知模块,这项技术已经完成了一场从“感知有无”到“理解行为”的深刻蜕变。本文将系统梳理红外人体感应技术的基本原理、核心电路,并重点结合最新技术进展,展现其在当代及未来智能系统中的全景应用。
红外人体感应技术的实现依赖于两个关键物理特性:热释电效应和人体自身的热辐射特征。
人体作为一个恒温体(约37℃),会持续向外辐射电磁波,其能量峰值集中在8-14微米的远红外波段。这一波段恰好处于大气吸收较弱的“红外窗口”,使得被动式探测成为可能。所有温度高于绝对零度的物体都会发出红外辐射,而该技术的核心正是精准捕捉人体在此特定波长范围内的辐射变化信号。
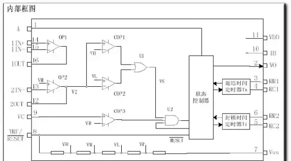
BISS0001是一款典型的CMOS数模混合专用集成电路,曾广泛应用于早期的热释电红外感应设备中。它代表了传统PIR系统的典型架构,其工作流程主要包括以下几个阶段:
信号拾取与放大:热释电传感器输出的是极其微弱的电荷信号,需通过芯片内部的第一级运放(OP1)和第二级运放(OP2)进行两级放大处理,并将直流电平抬升至适合后续电路工作的范围。
双向鉴幅与有效触发:放大后的信号进入由COP1和COP2构成的双向电压比较器。该电路设定高阈值(VH≈0.7VDD)与低阈值(VL≈0.3VDD),只有当信号穿越此“窗口”时,才会被识别为有效的人体触发信号(Vs),从而有效过滤±1V以内的环境噪声。
逻辑控制与延时:有效信号经条件比较器(COP3)等逻辑单元判断后,启动定时器并输出一个持续时间为Tx的高电平(Vo)。该输出时间及两次触发之间的封锁时间Ti可通过外接RC元件调节。此外,通过设置A引脚电平,可选择不可重复触发或可重复触发模式,以适应不同使用场景的需求。
一个完整的被动式红外(PIR)感应系统由以下三个关键组件协同工作:
菲涅尔透镜:作为系统的“光学天线”,通常由多个同心锯齿结构组成。其主要功能包括:一是将大范围区域的红外辐射聚焦到传感器敏感面上,显著提升探测距离与灵敏度;二是将监测区划分为交替的明暗区域,确保只有移动热源(如行走的人体)穿过这些区域时,才能引起辐射强度的周期性变化,从而产生可检测的交流信号——这也是PIR主要响应运动目标的原因所在。
热释电传感器:充当系统的“能量转换器”。这类传感器多采用钽酸锂、硫酸三甘肽等具有自发极化特性的晶体材料。当表面温度因接收红外辐射而发生变化时,内部极化状态随之改变,在电极上产生微弱电荷。现代产品普遍采用双元或四元互补结构,能有效抵消环境温度缓慢漂移带来的共模干扰,增强稳定性。
信号处理芯片(ASIC):相当于整个系统的“大脑”。早期如BISS0001仅完成基本的放大、比较和延时功能;而现代ASIC已高度集成,往往内置12位模数转换器(ADC)、数字信号处理器(DSP)甚至可编程存储单元,支持复杂算法运行,并可通过IC等数字接口直接输出分析结果。
尽管传统的PIR方案具备成熟可靠、成本低廉的优点,但也存在明显短板:只能检测移动目标、易受宠物或气流干扰、信息维度单一(仅有开关量输出)。为突破这些限制,红外感应技术正从器件设计、算法优化和多模态融合三个方面加速演进。
最根本的变革发生在算法层面。新一代红外传感器通过在ASIC中嵌入轻量级AI模型,逐步实现智能化升级:
静态存在感知:这是对传统PIR的重大突破。借助长时间基线学习与超高灵敏度信号分析,新型算法能够识别出人体极其微弱的生理活动,例如呼吸起伏(毫米级位移)或细微肢体动作,从而实现对静止人员的持续检测,极大拓展了应用场景。
随着性能提升与成本下降,红外人体感应技术已渗透至多个领域:
在智能家居中,用于自动照明、空调启停、安防报警等场景,实现节能与便捷的统一;
在智慧楼宇中,结合能耗管理系统,动态调控照明、通风与电梯调度,提高能源利用效率;
在公共安全领域,部署于夜间监控、入侵检测系统,辅助视频分析降低误报率;
在智慧城市基础设施中,应用于无人值守公厕、智能路灯、交通流量监测等场景,提升城市管理智能化水平。
当前技术仍面临一些挑战,如进一步提升静止检测的可靠性、降低功耗以适配无线传感网络、增强抗干扰能力(尤其是高温环境下的稳定性)等。未来的方向包括:
发展更高灵敏度的新型热释电材料;
推动多传感器融合(如PIR+毫米波雷达+可见光视觉)以实现更精准的行为识别;
深化边缘计算能力,使终端具备自主决策与自适应学习功能;
构建标准化通信协议与数据接口,促进跨平台互联互通。
从最初的简单光控开关,到如今具备AI分析能力的智能感知节点,红外人体感应技术正不断突破边界。它不仅是物联网感知层的重要组成部分,更是连接物理世界与数字世界的桥梁。随着材料科学、集成电路与人工智能的持续进步,这项低调却无处不在的技术,将在未来智能生态中扮演更加关键的角色。

运动轨迹与行为分析:
通过多分区菲涅尔透镜生成的脉冲序列,系统能够对信号的时间与空间关系进行深度解析,从而识别目标的移动方向、速度以及简单的行为模式(如徘徊、滞留或跌倒)。该技术可有效排除窗帘摆动、宠物走动等非人形干扰源的影响,提升检测准确性。

人数大致估计:
基于探测区域内被激活的感应片区数量及脉冲密度,先进算法可判断当前是单人、双人还是多人在场。这一能力为空调系统和新风设备的智能送风策略与能耗优化提供了关键数据支持。
静态存在感知:
借助对人体微弱热辐射变化的高灵敏度捕捉,系统可实现“人在灯不灭”的连续响应机制,彻底摆脱传统需要挥手触发设备的不便体验。
传感器性能的边界正随着材料科学与结构设计的进步不断拓展,主要体现在以下两个层面:
一、传感材料与制造工艺的升级
MEMS集成与低功耗设计:采用微机电系统(MEMS)技术,将热释电晶体与CMOS信号处理电路集成于同一硅基芯片上,显著缩小了体积,并使工作电流降至微安(μA)级别。这使得电池供电设备可维持数年运行。例如,村田制作所推出的“IRS-D200ST00R1”热电型红外传感器,采用小型SMD封装,典型工作电流仅为8μA,且内置ADC模块支持IC数字输出,极大简化了在物联网场景中的集成难度。
新型敏感材料的应用:学术界与产业界正积极探索更高性能的替代材料。例如,掺铝氮化钪(AlScN)作为一种新型铁电材料,因其具备更高的热释电系数,成为开发高灵敏度、快速响应非制冷红外传感器的研究热点。此外,二维材料(如石墨烯、黑磷)及其范德华异质结构,凭借其优异的光电特性,被视为构建高性能、可调谐红外光电探测器的重要发展方向。
二、探测维度的跃迁:从单点到阵列成像
传统PIR传感器仅能实现“单点探测”,而新一代技术已迈向“阵列成像”阶段,标志着本质性突破。
红外热电堆阵列:不同于传统单一像素只能感知整体温变,8×8或16×16像素的热电堆阵列可生成低分辨率的热分布图像。2025年,声动微科技发布了国内首款8×8像素红外热电堆阵列热感芯片模组,成本约为国外同类产品的50%。此类阵列不仅实现“动静皆不丢帧”的精准存在感知,还能推断人体姿态(如坐、卧)和大致位置,填补了低成本高精度存在感知市场的空白。
| 特性维度 | 传统热释电红外(PIR)感应 | 新一代智能红外/阵列感应 |
|---|---|---|
| 核心输出 | 二进制开关信号(0/1) | 数字信号、存在状态、简单行为数据、低分辨率热图像 |
| 检测能力 | 仅限运动(移动跨越敏感区) | 运动+静态存在(通过呼吸等微动识别) |
| 抗干扰性 | 较弱,易受宠物、热气流影响 | 较强,通过AI算法(轨迹、模式分析)过滤非人目标 |
| 信息维度 | 单一(“有/无”移动) | 丰富(人数估计、姿态、位置) |
| 功耗水平 | 较低(毫安级) | 极低(微安级),适合电池长期供电 |
| 成本 | 非常低廉 | 逐渐降低,阵列芯片国产化后性价比显著提升 |
单一技术难以应对复杂现实环境,因此多传感器融合已成为高端应用的核心路径。
红外 + 毫米波雷达:这是目前最受关注的技术组合之一。PIR具备成本低、可识别生物属性的优势,但无法检测静止目标;毫米波雷达则擅长捕捉微小动作、穿透非金属障碍物,并能精确测距测速,但无法区分人与物体。两者结合,既能实现高可靠性的静态存在感知,又能获取精确的空间定位信息,在智能家居与安防监控中表现卓越。
红外 + 其他传感器:还可与超声波、麦克风(声学传感)、光敏元件等协同工作,利用多维数据交叉验证机制,最大限度降低误报率,提升系统鲁棒性。
随着智能化演进,红外人体感应已超越最初的照明控制功能,广泛渗透至现代社会多个领域。
智能家居与建筑
静态存在感知技术让卫生间、办公室内的灯光与空调真正做到“人来即启,人走即关”,大幅提升节能效率与用户体验。配合智能门锁与摄像头,可实现回家自动亮灯、安防布防/撤防等联动场景。在智慧楼宇中,电梯厅、走廊部署的传感器可实现照明分区按需点亮,据测算可节省超过30%的照明能耗。
安防与监控
作为安防系统的首道防线,红外感应以其被动式、隐蔽性强的工作方式发挥关键作用。无论是家庭防盗报警,还是仓库、管廊等工业场所的周界防护,均依赖其稳定响应。结合AI驱动的行为分析模型,系统可主动识别“翻越围墙”、“区域滞留”、“人员聚集”等异常行为并发出预警,实现由事后追溯向事前防范的转变。
商业与零售
在零售环境中,嵌入货架底部的微型红外传感器可用于统计顾客对商品的拿取频次,结合销售数据,辅助实现精准补货与营销策略优化。客流统计热力图有助于商家调整店铺动线布局与广告屏内容投放策略,提升转化效率。
健康看护与物联网
红外阵列传感器可在不侵犯隐私的前提下,非接触式监测老年人的日常活动、睡眠质量乃至跌倒事件,提供及时的安全保障。在各类物联网终端中,低功耗微型红外传感器可作为“事件唤醒”模块,应用于无线门铃、网络摄像机、温控器等设备,显著延长电池寿命。
尽管发展前景广阔,红外人体感应技术在实际落地过程中仍面临多重挑战:
从最初的BISS0001经典红外开关,发展到如今融合AI算法与阵列成像的智能感知模块,红外人体感应技术经历了一条由“机械反应”向“生物模拟”演进的路径。其核心始终未变:将人体自然辐射出的、不可见的10微米红外线,转化为数字系统可识别的电信号,并通过网络与算法进一步转化成提升生活品质的光亮、安全保障的机制以及效率优化的工具。
展望未来,该技术将在多个关键方向持续深化:
红外传感节点将不再孤立运行,而是与多种类型传感器深度协同,构成多维环境感知网络的基础单元。在数字孪生城市架构中,每一个物理空间中的感应设备都将被实时映射至虚拟模型中。管理者可在数字界面中直观观察到“人流的呼吸与脉搏”,实现对城市运行状态的高度精细化监控与调控。
在终端侧(Edge),轻量级人工智能模型(TinyML)将被部署于传感器本地,实现快速响应与实时处理;同时,经过匿名化处理的数据会上传至云端,借助大规模AI模型进行长期学习和行为模式挖掘。这种“端云结合”的架构使得系统能够越用越精准,越用越贴近用户习惯,逐步实现个性化的智能感知体验。
未来的红外传感节点将探索利用环境中的能量来源,如温差发电、振动能量采集或射频能量回收等技术,构建无需电池、无需外部供电的自维持系统。目标是达成“一次部署,终身免维护”的理想状态,大幅提升系统在复杂场景下的适用性与可持续性。
技术发展的终极形态往往是无感的。当我们的生活环境能够主动、准确地响应需求,而我们却意识不到背后那些“隐形慧眼”的存在时,这正是红外感知技术真正成熟的标志。
从一盏自动点亮的灯,到一座具备感知与调节能力的智慧之城,红外人体感应技术作为物联网时代的重要感知入口,正悄然推动着一个更加智能、高效、节能的未来图景。
扫码加好友,拉您进群



收藏
