经管之家App
让优质教育人人可得
立即打开
全部版块
我的主页
›
论坛
›
数据科学与人工智能
›
数据分析与数据科学
›
SPSS论坛
奇怪案例---A、C与B交叉表的结果为什么不一样?
楼主
kuangsir6
1782
2
收藏
2014-09-06
本人在做演示实验时,发现了一个奇怪的案例,特分享给大家。
想提醒网友注意里面的玄机!
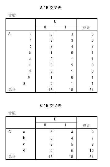
A,B,C三个分类变量,其中A与C的选项(答案)完全一样。但是,
它们在与B做交叉表时,输出结果不同,何以然也?
原始案例数据
A、C与B交叉表的结果为什么不一样?---奇怪案例.rar
大小:(536 Bytes)
马上下载
本附件包括:
A、C与B交叉表的结果为什么不一样?---奇怪案例.sav
输出结果截图
附件列表
奇怪案例输出结果.PNG
原图尺寸 17.48 KB
扫码加我 拉你入群
请注明:姓名-公司-职位
以便审核进群资格,未注明则拒绝
全部回复
沙发
kuangsir6
2014-9-6 07:04:37
请问网友,该奇怪案例的玄机在哪里?
答案随后给出。
扫码加我 拉你入群
请注明:姓名-公司-职位
以便审核进群资格,未注明则拒绝
藤椅
ermutuxia
2014-9-10 14:17:42
这是因为你的变量值里面有的出现了空格,比如a和a+空格就被认为是不同的两个值
扫码加我 拉你入群
请注明:姓名-公司-职位
以便审核进群资格,未注明则拒绝
相关推荐
请教各位高手一个ADF输出结果的问题,非常非常感谢,写论文需要啊。谢谢了
如何单独保存输出结果呀
输出结果
关于R的输出结果
求助:SPSS输出结果:Sig=0.000的含义
求大神指点
分段回归之后如何输出结果????
决策树输出结果分类表
Python程序求助
求大佬指点SAS问题
栏目导航
SPSS论坛
学道会
休闲灌水
经管文库(原现金交易版)
经管高考
爱问频道
热门文章
参数估计:CDA数据分析师的核心推断工具,用 ...
芜宣机场,增长740%!
表格结构数据特征与CDA数据分析师:精准适配 ...
CDA 认证考试大纲 2025 重磅更新:一二级考 ...
在概率与代码之间:Agent Skills 是 AI 的枷 ...
CDA数据分析脱产就业班于2026年3月7日开班! ...
失去的三十年:平成日本经济史(【日】野口 ...
硅光芯片代工爆发式增长,重构全球半导体产 ...
GeoSaaS永久会员版
新宏观丨豆包,谁是传统经济学的最大反对派
推荐文章
2026JG学术冬训营:从Stata初高到Python机器 ...
【必看】【本版版规,欢迎发悬赏贴求助】
【新课】26年3月|Gemini辅助论文写作与数据 ...
关于如何利用文献的若干建议
关于学术研究和论文发表的一些建议
关于科研中如何学习基础知识的一些建议 (一 ...
一个自编的经济学建模小案例 --写给授课本科 ...
AI智能体赋能教学改革: 全国AI教育教学应用 ...
2025中国AIoT产业全景图谱报告-406页
关于文献求助的一些建议
说点什么
分享
微信
QQ空间
QQ
微博
扫码加好友,拉您进群
各岗位、行业、专业交流群